
NE 型板鏈式斗式 提升機
NE 型斗式提升機為板鏈式,重力誘導卸料的提升設備。與其它提升相比有 如下特點:提升范圍廣,對物料的種類,特性及塊度要求不嚴格,且可提升磨琢 性物料,物料溫度≤250℃;輸送量大,提升量范圍為800m³/h;驅動功率小;使 用壽命長;提升高度高;運行平穩;密封性好;操作維修方便。本系列提升機采 用了先進的設計原理,保證了整機運行的可靠性,結構精度,機殼剛性都優于其 它提升機。
NE 型斗式提升機采用流入式喂料,重力誘導式卸料,無回料現象。適用于 垂直輸送粉狀、顆料狀、小塊狀、磨琢性笥和無磨琢性物料,如:生料、水泥、 煤、石灰石、干粘土、熟料等尤為適應。
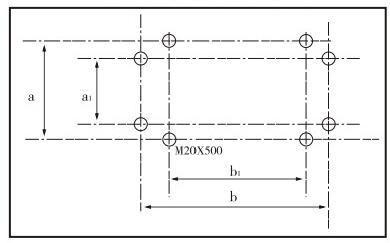
NE 型斗式提升機基礎尺寸
NE 型斗式提升機規格性能表
型號 |
輸送能力 m³/h |
斗速 |
主軸轉速 |
物料粒度 m m |
料 斗 |
||
斗容L |
斗寬mm |
斗距mm |
|||||
NE15 |
15 |
0.5 |
15.54 |
<40 |
2.5 |
250 |
203 |
NE30 |
32 |
0.5 |
16.45 |
<50 |
7.8 |
300 |
305 |
NE50 |
60 |
0.5 |
16.45 |
<50 |
15.7 |
300 |
305 |
NE100 |
110 |
0.5 |
14.13 |
<70 |
35 |
400 |
400 |
NE150 |
170 |
0.5 |
14.13 |
<70 |
52.2 |
600 |
400 |
NE200 |
210 |
0.5 |
10.9 |
<100 |
84.6 |
600 |
500 |
NE300 |
320 |
0.5 |
10.9 |
<100 |
127.5 |
600 |
500 |
NE400 |
380 |
0.5 |
8.3 |
<120 |
182.5 |
700 |
600 |
NE500 |
470 |
0.5 |
7.1 |
<120 |
260.9 |
700 |
700 |
NE600 |
600 |
0.5 |
7.1 |
<120 |
330.2 |
700 |
700 |
NE800 |
800 |
0.5 |
6.2 |
<140 |
501.8 |
800 |
800 |
型號 |
NE15 |
NE30 |
NE50 |
NE100 |
NE150 |
NE200 |
NE300 |
NE400 |
NE500 |
NE600 |
NE800 |
a |
544 |
594 |
744 |
916 |
1176 |
1176 |
1536 |
1572 |
1602 |
1926 |
2175 |
a1 |
400 |
450 |
550 |
600 |
3×392 |
3×392 |
3×512 |
3×524 |
3×554 |
3×642 |
3×725 |
b |
1144 |
1334 |
1334 |
1566 |
1566 |
1866 |
1866 |
2277 |
2576 |
2576 |
2920 |
b1 |
500 |
600 |
600 |
700 |
700 |
700 |
700 |
760 |
4×644 |
4×644 |
4×730 |
版權所有:南京寶瑞環保工程有限公司 網站建設:中企動力 南京 蘇ICP備19003210號-1